New power converter topologies extend the efficiency and reliability of IGBTs

January 9, 2025

Power-system designers have long used IGBTs in a half-bridge topology in applications such as solar inverters and motor drives. Recent experience shows that I- and T-type topologies can offer important advantages over the half-bridge.

The half-bridge converter is one of the most popular topologies in power electronics, especially in uninterruptible power supplies (UPS), solar inverters, and motor drives.

Screenshot

Fig. 1: The operating modes of a half-bridge circuit

The half-bridge output voltage depends on the switching state and current polarity, shown in Figure 1. If an inductive load draws positive current, Ig>0, it will flow through T1 and supply energy to the load, Vg. On the contrary, if the load current, Ig, is negative, the current flows back through D1 and returns energy to the dc source.

 

Similarly, if T4 is on, which happens when T1 is off, a voltage equal to half of the bus voltage is applied to the load, and the current decreases. If Ig is positive, the current flows through D4, returning energy to the bus source.

 

In so-called four-quadrant operation, different aspects of an IGBT’s characteristics are stressed, as shown in Figure 2:

  • Saturation voltage in inverter mode
  • Forward voltage in rectifier mode
  • Turn-on energy and turn-off energy in reactive modes
Screenshot

Fig. 2: A half-bridge circuit’s four-quadrant operation

Power at the time intervals 4 and 2 is negative. This negative power is called reactive power. Reactive power is common in motor drives and other applications, and it increases the apparent power of a converter. A converter must be able to accommodate this element of total power to properly drive a reactive load.

 

Power line networks in most countries have not been upgraded to support the increased number of solar inverters. As a consequence, during peak daylight time, while solar generators feed the line, there is likely to be an over-voltage at sub-nodes. Hence all new solar inverters have to be able to absorb the over-voltage through the generation of reactive power.

 

Factors affecting IGBTs in motor drives and solar inverters

The main characteristics of a motor drive application using a half-bridge topology are:

  • No current ripple is observed at high inductive loads
  • Turn-on energy is generally higher than turn-off energy due to high reverse-recovery current
  • Low switching frequency ends with high conduction loss
  • Always hard switching

By contrast, the main characteristics of inverters suitable for solar and UPS applications are:

  • Current ripple is up to 30% higher than in drive applications
  • IGBT turn-on and forward diode turn-off occur at a lower current than for the same IGBT at turn-off and the forward diode at turn-on
  • Turn-off energy is more important
  • Over-voltage at turn-off is higher due to the high turn-off current.

Emerging topologies for high-power conversion

The classical half-bridge in these types of applications has some limitations:

  • A standard half-bridge converter produces only two levels of output voltage
  • High transient voltages stress passive and active components
  • High transient voltages produce high switching loss
  • High transient voltages make it more difficult to drive an IGBT’s gate
  • The voltage pattern produces higher ripple current
  • High transient voltages produce higher EMI
  • The half-bridge cannot work with a high-voltage bus
  • Series connection of devices leads to implementation complexities
  • High switching losses
  • Thermal balancing is difficult to achieve
  • High filtering requirement

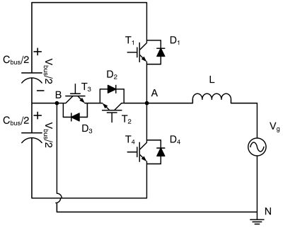
To overcome these limitations, new topologies with multi-voltage levels have been developed for use in power electronics. The most common structures are the so-called I-type, shown in Figure 3, and T-type converters, shown in Figure 4. These topologies can operate at higher bus voltages than the half-bridge. Due to the availability of more output states, the voltages across filter components are lower, and result in much lower filter losses and a smaller filter.

Screenshot

Fig. 3: I-type converter

Even switching losses fall significantly, while conduction losses go up slightly, a benefit in higher-frequency applications. These topologies implement unipolar switching by connecting to the neutral point during the off cycles.

Screenshot

Fig. 4: T-type converter

It is worth mentioning that alongside the numerous advantages, these multi-level topologies present some difficulties, such as:

  • Capacitor voltage balancing, addressed by active control
  • Loss distribution imbalance under certain operating conditions
  • Dependence on modulation index/duty ratio
  • More complicated to control
  • Better optimization techniques are needed

Advances in semiconductors and control technologies are enabling the use of these converter types in mid- to low-power applications consuming less than 10 kW. In fact, each of the I- and T-type topologies has its own advantages and disadvantages depending on operating conditions: the T-type shines at lower frequencies, and has lower switching losses than the half-bridge. The I-type offers better performance at high frequencies.

 

Semiconductor improvements might shift the balance of benefits and drawbacks between the I- and T-type topologies. In general, it is true that three-level inverters help to improve efficiency and increase operating frequency. In rectifier mode, the T-type is better for mid-frequencies while the I-type offers better high-frequency operation and better thermal balance.

 

One of the main disadvantages of both lies in the more complex control circuitry and the need for more semiconductor components, though not necessarily a larger silicon area.

 

Conclusion

Despite the fact that IGBTs have been in the market for a long time, this technology is still very well suited to high-voltage and high-current applications. The use of IGBTs is growing not only in classical applications, but also in new ones. This is because new technologies are able to switch up to 100 kHz. Hence, it is important to better understand the application requirements and choose the right set of IGBT trade-offs.

 

Figure 5 shows how a given IGBT can produce a different pattern of losses in different topologies operating at the same frequency.

Screenshot

Fig. 5: Distribution of losses for the same IGBT operating in a Vienna topology (top left), half-bridge (top right), and full-bridge (bottom)

Even in the same topology, the pattern can vary with the operating point. Figure 6 shows the pattern of losses in a T−type topology for the outer and the inner IGBT in inverter, A and B, and rectifier, C and D, modes.

Screenshot

Fig. 6: Distribution of losses for the same IGBT operating in a T-type inverter in the outer (left) and inner (right) position in inverter and rectifier modes

Understanding the system requirements and implementing accurate measurement systems are important to the development of reliable designs using IGBTs. It is even more important when operating at the very high efficiencies enabled by modern IGBTs and topologies. This means that adequate analysis and measurement time invested during the design phase can support the selection of the right IGBT for the application.

Extra_FTMIssue12025_onsemi_Design-Note-on-IGBTs

Related Articles

Renesas — RA0 Series Microcontrollers
Power your innovations with Renesas' RA0 series microcontrollers. Discover their performance and eff...
Read More
American Zettler — AZSR170 70A Solar Power Relay
Relays with wide contact gap switch up to 70 A/600 V Facebook Linkedin-in Youtube The new AZSR170 series...
Read More
Vishay — SE20ND Surface-Mount Standard Rectifier
New low-profile rectifier IC offers footprint compatibility with legacy packages Facebook Linkedin-in...
Read More

Subscribe to our newsletters

Subscribe to Future Electronics

Get access to the latest product information, technical analysis, design notes and more

Choose your region