text.skipToContent text.skipToNavigation

 

Infineon

Infineon 1ED3330MC12M Single-Channel Isolated Gate Driver IC

Optimized for high-performance SiC applications

The Infineon 1ED3330MC12M EiceDRIVER™ Enhanced is a high-performance single-channel isolated gate driver IC designed to meet the demanding requirements of SiC MOSFET applications. Delivering a typical peak output current of ±12 A in a compact DSO 300 mil package, it combines high efficiency, reliability, and protection in a space-saving design.

Integrated protection features, including DESAT detection, Miller clamp driver, and active shutdown, ensure safe and robust operation even under challenging conditions.

Features

  • Integrated protection features for enhanced reliability
  • ±12 A typical peak output current for strong SiC MOSFET drive capability
  • Separate source and sink outputs for optimized control
  • 35 V absolute maximum output voltage
  • UVLO specifically designed for SiC MOSFETs
  • Fast DESAT detect and fault notification
  • 3.3 V and 5 V compatible input supply
  • High CMTI >200 kV/µs for superior noise immunity
  • Compact DSO 300 mil package with 0.65 mm pitch and >8 mm creepage distance
  • Integrated Miller clamp driver to prevent false turn-on

Benefits

  • Output current ideal for high-speed SiC switching
  • Reduces circuit complexity and design effort
  • Space-saving package optimizes PCB layout
  • Fast short-circuit detection for system protection
  • Simplified fault management via FLT pin
  • Tight delay matching enables low deadtime and higher efficiency

Applications

  • Battery Energy Storage Systems (BESS)
  • Electric Vehicle (EV) Charging Infrastructure
  • Photovoltaic Inverters
  • Motor Control Systems
  • Uninterruptible Power Supplies (UPS)

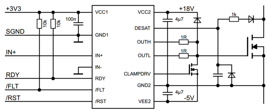
Block Diagram

Infineon — 1ED3330MC12M Block Diagram

Evaluation Board for 1ED3330MC12M

EVAL-1ED3330MC12M-SIC


EVAL-1ED3330MC12M-SiC User Guide
This evaluation board is designed to evaluate 1ED3330MC12M isolated gate driver ICs and discrete power switches in a half-bridge configuration. This board includes two 1ED3330MC12M and a galvanically isolated on-board power supply generated with the 2EP130R transformer driver IC. The board includes two, unassembled IMZC120R012M2H CoolSiC™ 1200 V SiC Trench MOSFETs in TO247-4 package, which can be substituted to evaluate other Infineon switches.