Diodes Incorporated Low Dropout Regulator AP7353 Offers High PSRR in Small Footprint for Noise-Sensitive Applications
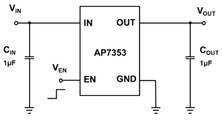
The DIODES™ AP7353 is a low dropout regulator with high output voltage accuracy, low RDSON, high PSRR, low output noise and low quiescent current. This regulator is based on a CMOS process.
With 250mA of guaranteed output current, the AP7353 regulator includes a voltage reference, error amplifier, current limit circuit and an enable input to turn it on and off. With the integrated resistor network, fixed output voltage versions can be delivered.
With its high PSRR, good line regulation and fast load transient response, the AP7353 is well suited for handheld/wearable communication equipment which require stable voltage sources.
The AP7353 is packaged in X1-WLB0707-4 (Type A1) which allows for smallest footprint and dense PCB layout.
See the all LDO of Diodes Incorporated
AP7353 Applications
| AP7353 Features
|


