
onsemi NCP1680/1 Totem Pole PFC Controller
NCP1680 with Critical Conduction Mode (CrM)
NCP1681 with Continuous Conduction Mode (CCM) / Multimode(CrM-CCM)
onsemi’s NCP1680 is a CrM PFC controller IC designed to drive the bridgeless totem-pole PFC topology. The bridgeless totem-pole PFC is a power factor correction architecture that consists of a fast switching leg driven at the PWM switching frequency and a second leg that operates at the AC line frequency. This topology eliminates the diode bridge present at the input of a conventional PFC circuit, allowing significant improvement in the power stage efficiency.
The NCP1681 can be configured to operate in Continuous Conduction Mode (CCM) or Multi-Mode (CrM-CCM) operation.
Features
| Benefits
|
Applications
| End Products
|
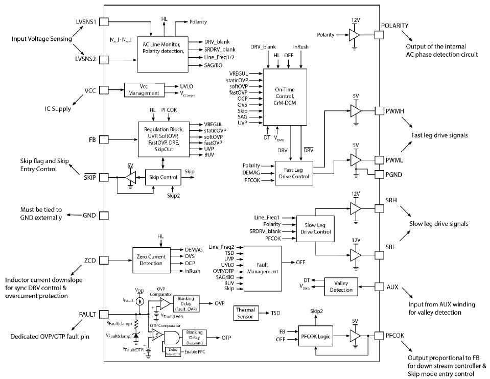
NCP1680 Block Diagram

Totem Pole v.s. Standard Boost PFC Efficiency Comparison![]() Bridgeless Totem Pole PFC provides 1.8% higher efficiency than standard boost PFC at full load, 90 Vac input condition equivalent to 9 W power loss reduction | Simplified Totem Pole PFC Topology![]() |
onsemi NCP1681 CCM 1KW Evaluation Board
![]() NCP1681: Totem Pole PFC Controller | Note:
|




