
MaxLinear — MxL8343x Quad RS-485/422 Receiver with IEC, ESD & EFT
Best-In-Class Performance Designed for Demanding Applications
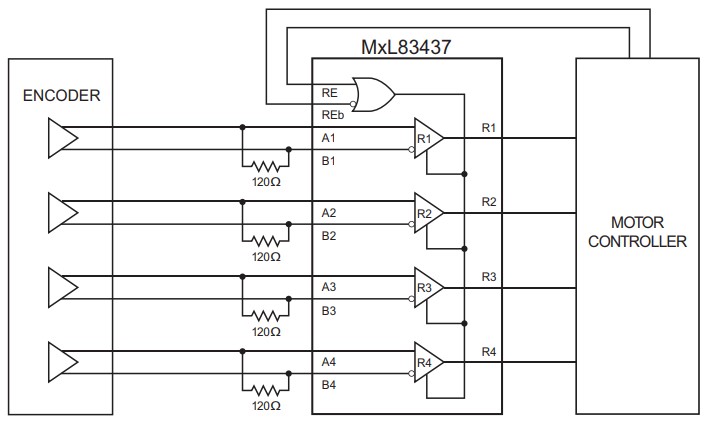
The MxL83435 / MxL83436 and MxL83437 / MxL83438 are two families of monolithic quadruple differential line RS-485/RS-422 receivers that support communication up to 65Mbps or 80Mbps in harsh industrial environments. The bus pins tolerate IEC electrical fast transients (EFT), IEC electrostatic discharge (ESD), offer a wide input voltage range, and input hysteresis.
A wide range of product options coupled with wide power supply range support (from 3.3V to 5V) provides a versatile portfolio for use in applications ranging from high-speed motor drives to wireless infrastructure and building automation. The integration of four receiver channels into compact TSSOP or NSOIC packages makes these products well suited for space-constrained enclosures that require robust, high-performance communication.
The MxL83435 and MxL83437 devices offer global enable pins, which allow all four channels to be enabled or disabled simultaneously. The MxL83436 and MxL83438 devices provide paired enable pins, allowing for the flexibility to control two channels at a time. Industry standard footprint and pinout ensure seamless compatibility for existing designs.
Features
|
|
Target Applications
| Best-in-class Feature Set
|
Typical Application Schematic

Evaluation Kit
For MxL83437/38
The evaluation kits (EVKs) are used for the MxL8343x devices. These EVKs provide a platform to evaluate the features and performance of the MxL8343x.
MxL83438 EVK Setup and Pre-Configuration
|
