
STMicroelectronics STGAP3S Galvanically Isolated Gate Driver
Featuring 10 A Source/Sink current, desaturation protection and adjustable SOFTOFF
STMicroelectronics’ STGAP3S family of gate drivers for silicon-carbide (SiC) and IGBT power switches combines ST’s latest robust galvanic isolation technology with optimized desaturation protection and flexible Miller-clamp architecture.
Featuring reinforced capacitive galvanic isolation between the gate-driving channel and the low-voltage control and interface circuitry, the STGAP3S withstands 9.6kV transient isolation voltage (VIOTM) with 200V/ns common-mode transient immunity (CMTI). With its state-of-the-art isolation, the STGAP3S enhances reliability in motor drives for industrial applications such as air conditioning, factory automation, and home appliances. The new drivers are also used in power and energy applications including charging stations, energy storage systems, power-factor correction (PFC), DC/DC converters, and solar inverters.
The STGAP3S product family includes different options with 10A and 6A current capability, each of them available with differentiated Under Voltage Lock-Out (UVLO) and desaturation intervention thresholds. This helps designers select the best device to match the performance of their chosen SiC MOSFET or IGBT power switches.
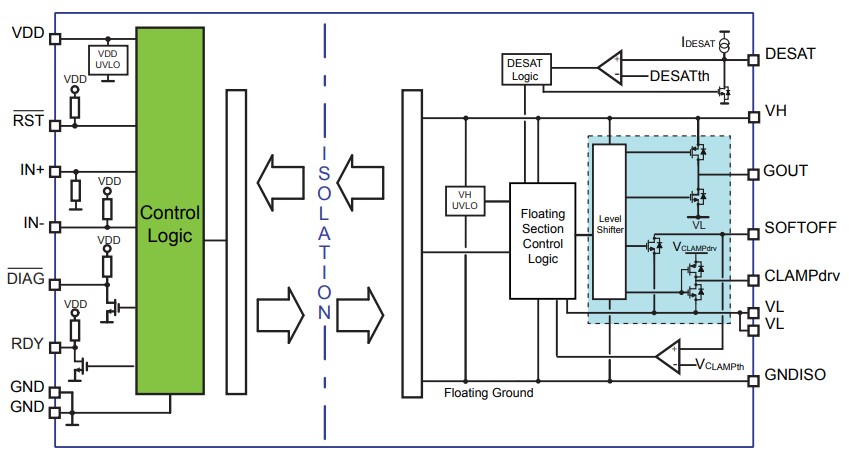
The Desaturation protection implements an overload and short-circuit protection for the external power switch providing the possibility to adjust the turn-off strategy using an external resistor to maximize the protection turn-off speed while avoiding excessive overvoltage spikes. The undervoltage-lockout protection prevents turn-on with insufficient drive voltage. The driver’s integrated Miller Clamp architecture provides a pre-driver for an external N-channel MOSFET. Designers can thus leverage flexibility to select a suitable intervention speed that prevents induced turn-on and avoids cross conduction
The available device variants allow a choice of 10A sink/source and 6A sink/source drive-current capability for optimum performance with the chosen power switch with desaturation-detection and UVLO thresholds optimized for IGBT or SiC technology. The fault conditions of desaturation, UVLO and overtemperature protection are notified with two dedicated open drain diagnostic pins.
Features
|
|
Applications
|
|
STGAP3SXS Block Diagram
Evaluation Boards
EVLSTGAP3SXS-H The EVLSTGAP3SXS-H is a half-bridge evaluation board designed to evaluate the STGAP3SXS isolated single gate driver. The STGAP3SXS is characterized by 10 A current capability, rail-to-rail outputs and optimized UVLO and DESAT protection thresholds for SiC MOSFETS, which makes the device optimal for high-power motor drivers in industrial applications. |
